ツームストンなのかモノリスなのか(笑)
2019/12/21
アロー電源基板を19.5V入力で12V出力にすると
発熱が5V出力時と比べて2倍程度になると発言した記憶があるが
それなら放熱板を2倍のサイズに拡大すれば良かろうと(アホ)やってみた。
余裕で手で触れる温度まで下がった。まあこれで常用出来るだろう(ホントかなァ!?)
発熱が5V出力時と比べて2倍程度になると発言した記憶があるが
それなら放熱板を2倍のサイズに拡大すれば良かろうと(アホ)やってみた。
余裕で手で触れる温度まで下がった。まあこれで常用出来るだろう(ホントかなァ!?)


— posted by くま at 12:14 pm
HDMI差動I2S入力DAC
2019/12/17
Combo384(USB入力)から改造してHDMI差動I2S入力DACにした。
自分の中ではHDMI差動I2S入力DACは作るモノと思っていた(笑)
yoさんの記事で販売されているんだと(笑)
画像のDAC内部はすべて基板設計ビルダー様達の力作ばかりで自分はそれを組み合わせて
音が出た!とか喜んでいるだけです(笑)
ちなみに仕様としては AK4493EQ x2 アマゾンで購入した怪しいアルディーノ(498円)で
レジスタをコントロールをしています。
このDAC_ICは価格は安価な方ですが音は旭化成兄弟の中でも上の方だと感じます。
自分の中ではHDMI差動I2S入力DACは作るモノと思っていた(笑)
yoさんの記事で販売されているんだと(笑)
画像のDAC内部はすべて基板設計ビルダー様達の力作ばかりで自分はそれを組み合わせて
音が出た!とか喜んでいるだけです(笑)
ちなみに仕様としては AK4493EQ x2 アマゾンで購入した怪しいアルディーノ(498円)で
レジスタをコントロールをしています。
このDAC_ICは価格は安価な方ですが音は旭化成兄弟の中でも上の方だと感じます。



— posted by くま at 03:37 pm
for APU1 or 2 12V電源(DC-ARROW 定数変更)
2019/12/14
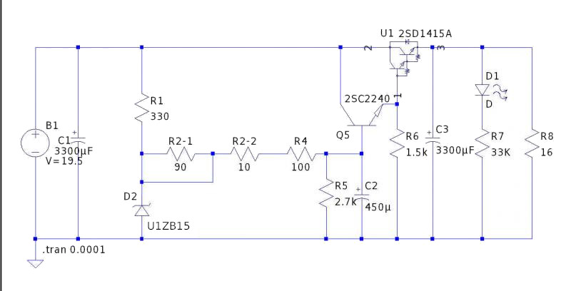
この回路が正しいかどうかは?です(笑)
試して見たら火事になりましたとか...一切責任は負えませんm(_ _)m
ハードオフで入手したSONY製スイッチング電源アダプターが19.5V/3A だったので
入力電圧が高すぎです(誰かの回路で自分文句書いてなかったかぁ?)
ヒートシンクはオリジナルの2倍程度の熱容量が必要です。
某フロントレギュレーターをつかえば入力電圧を下げられるのでその方が良いのかも知れません。
とりあえず作ってみて聴いてみたというところです。音は...良いと思います。
※R8は負荷を想定した16Ωです。約750mA程度流れる計算です念の為...
参考リンク:
http://mark-create.cocolog-nifty.com/blog/
https://nw-electric.way-nifty.com/blog/dcarrow.html
試して見たら火事になりましたとか...一切責任は負えませんm(_ _)m
ハードオフで入手したSONY製スイッチング電源アダプターが19.5V/3A だったので
入力電圧が高すぎです(誰かの回路で自分文句書いてなかったかぁ?)
ヒートシンクはオリジナルの2倍程度の熱容量が必要です。
某フロントレギュレーターをつかえば入力電圧を下げられるのでその方が良いのかも知れません。
とりあえず作ってみて聴いてみたというところです。音は...良いと思います。
※R8は負荷を想定した16Ωです。約750mA程度流れる計算です念の為...

参考リンク:
http://mark-create.cocolog-nifty.com/blog/
https://nw-electric.way-nifty.com/blog/dcarrow.html
— posted by くま at 04:41 pm
亀倉精機油圧手動式パンチャーHP-1 パワーマンジュニア
2019/12/10
油圧パンチャーを購入しました。これで大物部品をシャシーに取り付ける時の加工が楽になるかも(笑)
自分が死んだら家族は使い方を知らないモノがまた増えた(笑)
顕微鏡
オシロスコープ
デジタルマルチメーター
電動ハンダ吸い取り器
各種圧着ペンチ
その他色々...
自分が死んだら家族は使い方を知らないモノがまた増えた(笑)
顕微鏡
オシロスコープ
デジタルマルチメーター
電動ハンダ吸い取り器
各種圧着ペンチ
その他色々...

— posted by くま at 10:36 am
APU1、2用12V電源基板
2019/12/7
lightmpd/upnpgwでカスケード接続使用だとAPUは2台必要になる。
当然、電源も2台必要になる。
その二台への電源供給を試作中の基板を使って視聴してみた。
分解能と艶、クリアーな低音域...
もっと回路を詰めて見たいと思わせる音が出た。
体調不良、仕事上のトラブル...時間がもっと欲しいなぁ
本日、ハードオフで偶然に二台分を調達出来た。
こんなケースに入れると良いかなぁ 電源は大型トロイダルかなぁ...まだSW電源の優位性は未検証(笑)
当然、電源も2台必要になる。
その二台への電源供給を試作中の基板を使って視聴してみた。
分解能と艶、クリアーな低音域...
もっと回路を詰めて見たいと思わせる音が出た。
体調不良、仕事上のトラブル...時間がもっと欲しいなぁ

本日、ハードオフで偶然に二台分を調達出来た。

こんなケースに入れると良いかなぁ 電源は大型トロイダルかなぁ...まだSW電源の優位性は未検証(笑)

— posted by くま at 06:01 pm
2ch電源基板...改良パターンで動作確認OKです

2ch電源基板...改良パターンで動作確認OKです。
TPS7A4700のフットプリントが小さくてハンダ付けが厳しかったので拡大してみました。
— posted by くま at 04:44 pm
ラズパイのI2S出力信号...
2019/12/1
某掲示板のやり取りを読んで??になったので整理してみるが
正しいかどうかは保証の限りでは無い(笑)
yoさんのI2Sの世界第二幕(1)〜(4)を最初から真面目に読んでみたが
yoさんは上手くMCLKの説明を省いている(笑)
説明分とクロックタイミングを表す図から
BCLK:信号の1ビット分の時間を決める。
LRCK:ステレオ右左2チャンネル分の時間を示すクロック
MCLK:全体の時間を決めるクロック(各信号の区切り時間を決めるためのクロック)
DATA:アナログ信号をデジタルデータに変換した信号で信号の強度を一定周期で標本化(サンプリングしたもの)
※pulse code modulation
※論理回路ではメインクロック信号の立ち上がり立ち下がりで特定のDATAの読み込みや出力が行われる様になっている。
各ブロックで勝手に作業を行うと信号の受け渡しが失敗してしまうからである。
どこかの掲示板で読んだのだがラズパイはI2S信号を出力するためにフル回転で計算しているとか...
そうか!基本クロックの何個目かを常に確認して読み込んで
何個目かに出力してみたいな作業をこなしているのかとイメージ出来る。職場の壁にかかっている時計のイメージ(笑)
こんな感じだと思われる...
ラズパイのMCLK信号がない話が絡むと説明が厄介になってしまうが
ラズパイからはMCLKという形では出力されないが内部PLLを基準として残り3つの信号が出力されている様だ。
たぶん(笑)MCLKが無い状態の出力であってもアナログ信号へ変換が可能だと思う。
ただそれだと変換精度が出ないからオーディオとしては所謂良い音は出てこない。
アナログ信号へ変換される過程の何処かで精度の高いMCLK信号のタイミングにより
交通整理というか打ち直しを行わないとAudioとしては面白くないかも(笑)
正しいかどうかは保証の限りでは無い(笑)
yoさんのI2Sの世界第二幕(1)〜(4)を最初から真面目に読んでみたが
yoさんは上手くMCLKの説明を省いている(笑)
説明分とクロックタイミングを表す図から
BCLK:信号の1ビット分の時間を決める。
LRCK:ステレオ右左2チャンネル分の時間を示すクロック
MCLK:全体の時間を決めるクロック(各信号の区切り時間を決めるためのクロック)
DATA:アナログ信号をデジタルデータに変換した信号で信号の強度を一定周期で標本化(サンプリングしたもの)
※pulse code modulation
※論理回路ではメインクロック信号の立ち上がり立ち下がりで特定のDATAの読み込みや出力が行われる様になっている。
各ブロックで勝手に作業を行うと信号の受け渡しが失敗してしまうからである。
どこかの掲示板で読んだのだがラズパイはI2S信号を出力するためにフル回転で計算しているとか...
そうか!基本クロックの何個目かを常に確認して読み込んで
何個目かに出力してみたいな作業をこなしているのかとイメージ出来る。職場の壁にかかっている時計のイメージ(笑)
こんな感じだと思われる...
ラズパイのMCLK信号がない話が絡むと説明が厄介になってしまうが
ラズパイからはMCLKという形では出力されないが内部PLLを基準として残り3つの信号が出力されている様だ。
たぶん(笑)MCLKが無い状態の出力であってもアナログ信号へ変換が可能だと思う。
ただそれだと変換精度が出ないからオーディオとしては所謂良い音は出てこない。
アナログ信号へ変換される過程の何処かで精度の高いMCLK信号のタイミングにより
交通整理というか打ち直しを行わないとAudioとしては面白くないかも(笑)
— posted by くま at 11:19 am














Comments