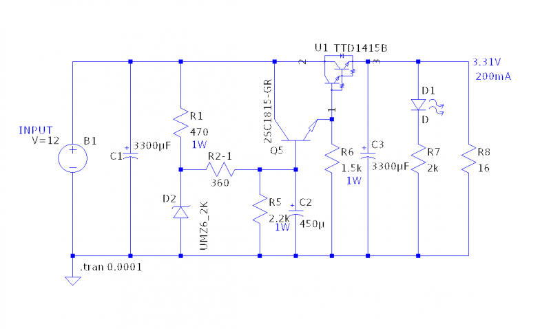
/ DDCの電源3.3V

DDCの電源3.3V

また...アホな仮説に取り憑かれる。
色々な電源回路を試すうちにフィードバックループが
大きければ大きい程音が悪くなるんじゃないのか?
音声信号のアンプと似た部分があるんじゃないか?
というわけで(笑)これを作ってDDC部分で試して見ようかなと
ああ...電源電圧が高すぎでアッチチに(笑)

33V



— posted by くま at 08:51 am  

この記事に対するコメントはありません

<< 2020.7 >>
SMTWTFS
   1 23 4
5 6789 10 11
1213141516 17 18
19 202122 232425
26 2728293031  
 
























T: Y: ALL: Online:
ThemePanel
Created in 0.0590 sec.